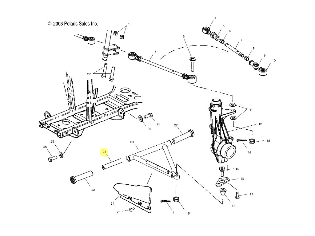
Průchozí kulatina - (4X4)
Kód: 5133806Detailní popis produktu
Servisní díly Polaris Engineered™ poskytují bezkonkurenční výkon a jsou vhodné pro vaše vozidlo. Každý z nich je pečlivě vyroben tak, aby odpovídal vašemu stroji, a byl rozsáhle testován v terénu, takže můžete jezdit se 100% jistotou.
Určeno pro:
Pro bližší informace ohledně určení pro stroje kontaktujte prodejce, nebo výrobce
1. Pro zjištění kompatibility prosím o doložení VIN kódu vozidla na email:
info@polaris-plzen.cz nebo vyplňte dotazník na našich stránkách2. Tento díl je kompatibilní s těmito stroji:
https://parts.polarisind.com/AdvancedSearch/AdvancedSearch.asp- Do kolonky "SEARCH" vložte dané číslo dílu a klikněte "ENTER"
Diskuze
Buďte první, kdo napíše příspěvek k této položce.
Pouze registrovaní uživatelé mohou vkládat příspěvky. Prosím přihlaste se nebo se registrujte.
.png)